联系我们
|
设为首页
|
加入收藏
咨询热线:13906509745/13958007812
首页
关于我们
产品中心
新闻动态
解决方案
应用视频
合作伙伴
联系我们
产品中心
定量包装机系列
吨袋包装机系列
定量灌装机系列
配料系统
称重模块
其他产品
您的当前位置:首页 / 产品中心
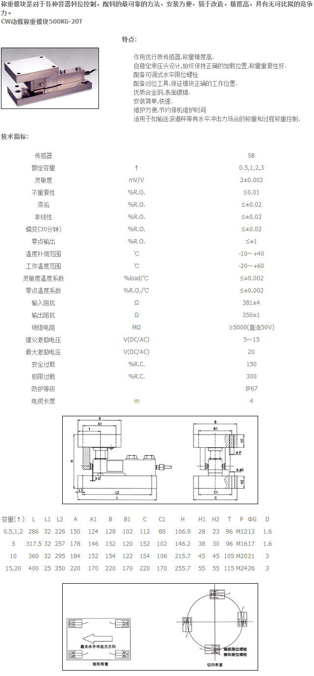
CW动载称重模块
上一个产品:没有了!
下一个产品:
FW静载称重模块
关键词:螺旋包装机,炭黑包装机,硅藻土包装机,CPE,排气,抽气,封口包装机,白炭黑,染料包装机,自动包装机,定量包装机,自动包装生产线,定量灌装机,称重模块,配料系统
地址: 杭州市临安区庆泉路13号 手机:13906509745 13958007812 邮箱:85375600@163.com
杭州精诚自控工程有限公司版权所有
浙ICP备20020315号-1
迅捷网络
设计制作